Toepassing van het Acrel Medical IT-systeem in Maleisische ziekenhuizen
Thuis / Projecten / Ziekenhuis / Toepassing van het Acrel Medical IT-systeem in Maleisische ziekenhuizen

Toepassing van het Acrel Medical IT-systeem in Maleisische ziekenhuizen

Met het toenemende gebruik van elektronische medische apparatuur in ziekenhuizen vormt het risico op lekstroom aanzienlijke bedreigingen voor de patiëntveiligheid, vooral in kritieke zorgomgevingen. Tijdens chirurgische ingrepen of anesthesie worden patiënten rechtstreeks aangesloten op verschillende elektroden en sensoren. Zelfs minimale lekstromen kunnen elektrische schokken veroorzaken wanneer medische apparaten in direct contact komen met het menselijk lichaam.

Bovendien moet levensondersteunende apparatuur voor ernstig zieke patiënten ononderbroken blijven functioneren. Elke stroomonderbreking kan het leven van patiënten onmiddellijk in gevaar brengen. Daarom moeten de elektrische systemen van ziekenhuizen strikt voldoen aan de nationale normen door IT-stroomvoorzieningssystemen in aangewezen gebieden te implementeren.

Deze casestudy demonstreert de toepassing van het medisch geïsoleerde stroomvoorzieningssysteem van Acrel in Maleisië, met:

Medische IT-stroomdistributie

Apparaten voor isolatiebewaking

Storingslokalisatiesystemen

Neem contact met ons op
  • Projectoverzicht
  • Projectoverzicht
    Maleisië I.E.D is gevestigd in SELANGOR DARUL EHSAN, het project wordt voornamelijk gebruikt in eilandziekenhuizen in Maleisië, de producten worden gebruikt voor 12-circuitisolatiefoutlocatie voor 3 sets geïsoleerd ziekenhuisvoedingssysteem, de gerelateerde producten zijn isolatiemonitorapparaat AIM-M200, signaaltestgenerator ASG150, gecentraliseerde alarmindicator AID150, isolatiefoutzoeker AIL150-8, AIL150-4 en lekstroomtransformator AKH-0,66P26.


    Introductie van medische IT-systemen
    Het ACREL medische IT-systeem isolatiebewakingsapparaat en foutlokalisatiesysteem is geschikt voor operatiekamers in ziekenhuizen, ICU (CCU) en andere belangrijke plaatsen, en kan een veilige plek bieden voor dergelijke continue, betrouwbare stroomoplossingen.


    Voedingsoplossing voor medische locaties
    ICU, CCU-afdeling Distribution Solutions (GGF-I8G geïsoleerd schakelkastsysteemschema, bijvoorbeeld)


    Optie I zonder storingslokalisatiefunctie


    Optie II met storingslokalisatiefunctie

    OPMERKING: In de stroomverdelingsoplossingen van de intensive care-afdeling moet een gecentraliseerd alarm- en weergaveapparaat uit de AID-serie worden geïnstalleerd in het verpleegstersstation. Het ziekenhuispersoneel van het verpleegstersstation bewaakt de bedrijfsstatus van elk geïsoleerd voedingssysteem.


    Oplossingen voor distributie van operatiekamers (GGF-O8G geïsoleerd elektrisch kastsysteemschema, bijvoorbeeld)

    Optie I zonder isolatiefoutlocatiefunctie


    Optie II met lokalisatiefunctie voor isolatiefouten

    1. In oplossingen voor stroomverdeling in de operatiekamer moeten externe alarm- en weergaveapparaten uit de AID-serie worden geïnstalleerd op het intelligentiepaneel in de operatiekamer, of naast het intelligentiepaneel (installatie aan de muur). Tijdens de operatie controleert de medische staf de gezondheid van het geïsoleerde energiesysteem.

    2. In het schema met de functie voor het lokaliseren van isolatiefouten kunnen, als het aantal gelokaliseerde kanalen meer dan acht bedraagt, twee sets AIL150-kabelzoekers worden gebruikt. De combinatie kan AIL150-8 en AIL150-4 zijn (tot 12 kanalen), of AIL150 -8 en AIL150-8 (tot 16 kanalen).

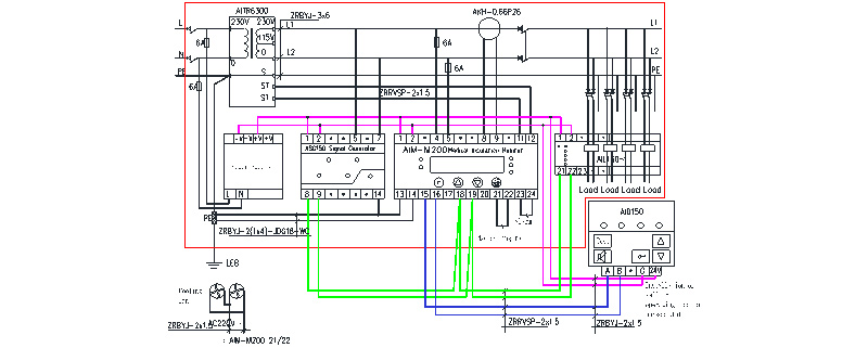
    3. Typisch bedradingsschema






    4. Introductie van 7-delige medische IT

    Productnaam en -type Productfoto Beschrijving
    Medische isolatietransformator uit de AITR-serie De isolatietransformator uit de AITR-serie wordt speciaal gebruikt in medische IT-systemen. De wikkelingen zijn dubbel geïsoleerd en voorzien van een elektrostatische afschermingslaag, waardoor elektromagnetische interferentie tussen de wikkelingen wordt verminderd. De PT100-temperatuursensor is in de draadzak geïnstalleerd om de temperatuur van de transformator te bewaken. De hele carrosserie is behandeld met vacuüminvasieverf, wat de mechanische sterkte en corrosieweerstand verhoogt. Het product heeft goede temperatuurstijgingsprestaties en een zeer laag geluidsniveau.
    AIM-M200 medisch intelligent isolatiebewakingsinstrument Het AIM-M200 medische itelligent isolatiebewakingsinstrument maakt gebruik van geavanceerde microcontrollertechnologie, die een hoge integratie, compact formaat, gemakkelijke installatie heeft en itelligence, digitalisering en netwerken in één integreert. Het is de ideale keuze voor isolatiebewaking van geïsoleerde energiesystemen in medische locaties van klasse 2, zoals operatiekamers en intensive care-afdelingen.
    AKH-0.66P26 stroomtransformator De stroomtransformator van het type AKH-O 66P26 is de beschermende stroomtransformator die de AIM-M200 isolatiemonitor ondersteunt, waarvan de maximaal meetbare stroom 60A is en de transformatieverhouding 2000:1 is. De stroomtransformator wordt direct in de kast bevestigd door te schroeven, en de secundaire zijde wordt door de terminal naar buiten geleid, wat handig is om te installeren en te gebruiken.
    AIL150-4/AIL150-8 isolatiefoutzoeker AIL150-4/AIL150-8 isolatiefoutzoeker adopts high sensitivity transformer combined with a high precision signal detecting circuit, which detects the signal imported into the system from the ASG150 test signal generator and accurately locates the circuits which have insulation faults. AIL150-4 insulation fault locator can locate the insulation faults of 4 circuits, and the AIL150-8 insulation fault locator can locate the insulation faults of 8 circuits.
    ASG150 testsignaalgenerator De ASG150-testsignaalgenerator maakt gebruik van een 32-bits microprocessorchip en een zeer nauwkeurig signaalgeneratiecircuit om de generatie van het specifieke testsignaal te realiseren. Wanneer het bewaakte IT-systeem isolatiefouten vertoont, kan het tijdig opstarten en een testsignaal produceren, waarbij in samenwerking met de isolatiefoutlocatie de locatie van de isolatiefout wordt vastgesteld.
    HDR-60-24 voedingsmodule HDR-60-24 gelijkstroomvoeding kan gelijktijdig 24V DC-voeding leveren voor de AIM-M200
    medisch intelligent isolatiebewakingsinstrument, ASG150 testsignaalgenerator, AIL150-serie isolatiefoutzoeker en AID150 gecentraliseerd alarm- en weergave-instrument. De voeding heeft een hoge capaciteit, een stabiele uitgangsspanning en een gemakkelijke installatie, die kan voldoen aan de voedingsvereisten van de bovengenoemde meters en is het aanbevolen voedingsproduct.
    AID1 50 gecentraliseerd alarm- en weergave-instrument Het AID150 gecentraliseerde alarm- en weergave-instrument maakt gebruik van het LCD-liquid crystal display en bereikt gegevensuitwisseling met het AIM-M200 medische intelligente isolatiebewakingsinstrument via de RS485-communicatie-interface, die real-time meerkanaalsgegevens van het AIM-M200 medische intelligente isolatiebewakingsinstrument kan monitoren.

    Foto's ter plaatse



Acrel Co., Ltd.