Nominale stroom 80A direct
MID-gecertificeerd
Hoge nauwkeurigheidsklasse C
35 mm DIN-rail gemonteerd
Pulsuitgang
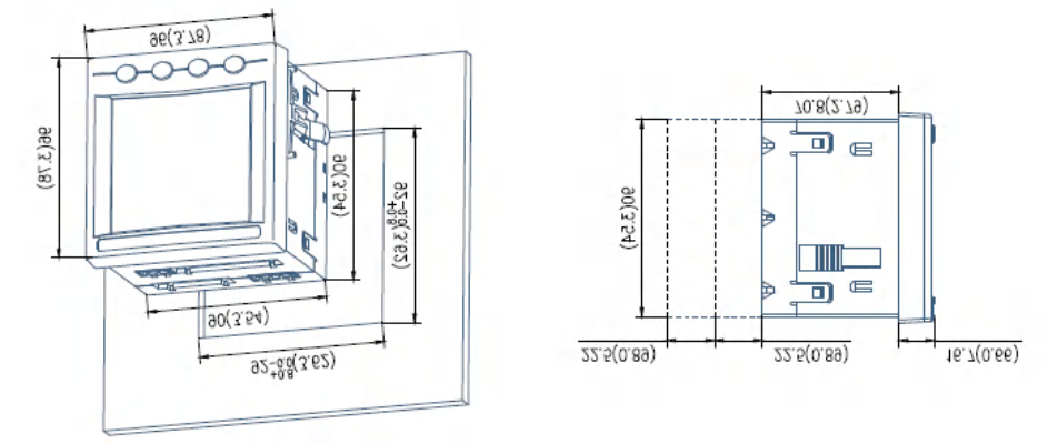
4 modules 72 mm breed
Voor IoT-energiebeheer, fabriek, school
True RMS-metingen
THD met 63e harmonischen
K-factor en Crest-factor
Onbalans en fasehoeken
Eisen en multi-tarief energie
Max/Min-logboek met tijdstempel
+86-18702106858 / +86-21-69156352
De APM810 is een multifunctionele AC-paneelmeter uit de 0,2S-klasse, ontworpen voor nauwkeurige energiemonitoring, diagnostiek van de netvoedingskwaliteit en subfacturering aan huurders in industriële, commerciële en datacenterschakelborden. De compacte DIN-behuizing van 96 x 96 mm bevat een TFT-kleurenaanraakscherm dat de werkelijke RMS-spanning tot 690 V, stroom, frequentie, actief/reactief/schijnbaar vermogen, PF, vraag, harmonischen tot 63e, THD en vierkwadrant kWh/kvarh weergeeft. Dubbele RS485 Modbus-RTU, Ethernet TCP/IP, BACnet/IP, SNMP en optionele Wi-Fi/LoRa zorgen voor een naadloze BMS/EMS-integratie, terwijl het ingebouwde geheugen van 4 MB belastingsprofielen van 12 maanden registreert voor energie-audits. Configureerbare over-/onderspannings-, stroom-, PF- en harmonische alarmen sturen relaisuitgangen of digitale ingangen aan voor slimme besturing van onderbrekers; pulse-, SOE- en tarief-TOU-registers ondersteunen nutsbedrijven AMI, zonne-netmeting en EV-oplaadtoepassingen. Brede 3×57,7–690 V, 0,001–10 A directe of CT/VT-aansluiting plus manipulatiebestendige afdichting, geschikt voor elke smart-grid- of micro-grid-implementatie.
| Technische parameters | Waarde | |||
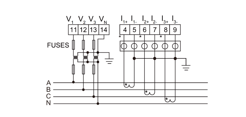
| Invoer | Verbinding | Eenfase-2-draads, 3-fase-3-draads, 3-fase-4-draads | ||
| Frequentie | 45-65 Hz | |||
| Spanning | Beoordeling: | |||
| eenfasig: AC 100V, 400V | ||||
| Driefasig: AC 3×57,7V/100V(100V),3×220V/380V(400V),3×380V/660V(660V)(alleen maat 96) | ||||
| Overbelasting: 1,2-voudige beoordeling (continu): 2-voudige beoordeling gedurende 1 seconde | ||||
| Stroomverbruik:< 0,5VA | ||||
| Huidig | Beoordeling: AC IA、5A | |||
| Overbelasting: 1,2-voudige beoordeling (continu); 10-voudige beoordeling gedurende 1 seconde | ||||
| Stroomverbruik:< 0,5VA | ||||
| Uitvoer | Elektrische energie | Uitvoer mode:open-collector photo-coupler pulse | ||
| Pulsconstante: 10.000 imp/kWh (instelbaar), zie bedradingsschema voor details; | ||||
| Communicatie | RS485-poort, Modbus-RTU-protocol, DLT645-protocol (versies 07 en 97), | |||
| baudsnelheid 1200 ~ 38400 | ||||
| Functie | Schakelingang | Droge contactingang, ingebouwde voeding; als het model KA is, is AC 220V actief. | ||
| Schakeluitgang | Uitvoer mode: Relay normally open contact output | |||
| Contactcapaciteit: AC 250V/3A, DC 30V/3A | ||||
| Analoge uitgang | 4 - 20 mA | |||
| Nauwkeurigheidsklasse | Frequentie:0.05Hz,Current、Voltage:0.2 class,Reactive power:l .0class,Reactive Electric energy:l .0class, active power:0.5class,active electric energy: 0.5class,2-31th harmonic measurement:±1% | |||
| Voeding | AC/DC 85-265V of DC24V(±20%)of DC48V(±20%) | |||
| stroomverbruik≤10VA | ||||
| Beveiliging | Stroomfrequentie is bestand tegen spanning | Tussen voeding//schakeluitgang//stroomingang//spanningsingang en verzending//communicatie //pulsuitgang//schakelingang AC 2 kV 1min; | ||
| Tussen voeding, schakeluitgang, huidige ingang, spanningsingang AC 2 kV 1min; | ||||
| Tussen zenden, communicatie, pulsuitgang, schakelingang AC 1 kV 1 min; | ||||
| Isolatieweerstand | Invoer、Output end to machine enclosure >100MΩ | |||
| Milieu | Temperatuur | werk: -25°C~ 65°C opslag: -40°C ~ 80°C | ||
| Vochtigheid | ≤93%RV Niet-condenserend | |||
| Hoogte | ≤2500m | |||
Oplossing voor stroombewaking
Acrel Co., Ltd.【Aandelencode: 300286.SZ】, opgericht in 2003, is een hightechbedrijf dat gespecialiseerd is in oplossingen voor energiebeheer en elektrische veiligheid. Acrel, met hoofdkantoor in Shanghai, biedt innovatieve en duurzame oplossingen voor energie-efficiëntie en elektrische veiligheid in microgrids. Met meer dan 600 patenten en softwareauteursrechten heeft Acrel wereldwijd meer dan 28.000 systeemoplossingen geïmplementeerd, waarmee een alomvattende "cloud-edge-end" energie-internetarchitectuur is gevormd.
Acrel Co., Ltd. is China Groothandel AC programmeerbare, op een paneel gemonteerde energiemeter in drie fasen Fabrikanten En AC programmeerbare, op een paneel gemonteerde energiemeter in drie fasen Fabriek. Het geïntegreerde productecosysteem van Acrel omvat alles van cloudplatformsoftware tot eindgebruikerscomponenten en bestrijkt sectoren zoals energie, hernieuwbare energie, datacenters, slimme gebouwen, transport en slimme steden. Deze oplossingen maken intelligent, realtime energiebeheer mogelijk, waardoor de energiezekerheid wordt verbeterd en de operationele kosten worden verlaagd. Wij bieden AC programmeerbare, op een paneel gemonteerde energiemeter in drie fasen Te koop.
De productiefaciliteit van het bedrijf, Jiangsu Acrel Electric Manufacturing Co., Ltd., hanteert strenge kwaliteitsnormen en milieurichtlijnen, beschikt over geavanceerde testcentra en zet zich in voor loodvrije productieprocessen. Het team van Acrel, bestaande uit meer dan 500 ingenieurs, levert geavanceerde energiezuinige systemen en slimme energieoplossingen.
Acrel heeft een sterke aanwezigheid in eigen land en breidt actief internationaal uit, ondersteund door een wereldwijd netwerk van verkoop- en technische teams en een e-commerceplatform dat zorgt voor een naadloze service-ervaring over de hele wereld. Acrel is er trots op bedrijven te helpen hun efficiëntie te verbeteren, hun verbruik te verminderen en hun duurzaamheidsdoelen te bereiken.
Samen bouwen we aan een slimmere, groenere toekomst.
Geautoriseerde patenten
0+Aantal klanten dat is bediend
0+Totaal aantal werknemers
0+Productiebasis
0m²Welkom om te verbinden In de context van de snelle ontwikkeling van de nieuwe energie-industrie zijn scenario's zoals commerciële en industriële energieopslag , batterijwisselstations , en huishoudelijke fotovoltaïsche opslagsystemen hebben hogere eisen gesteld a...
Lees meerIndustrieachtergrond en toepassingsbelang Busbars dienen als de ruggengraat van elektrische distributiesystemen in industrieën variërend van schakelapparatuur, industriële aandrijvingen, omvormers voor hernieuwbare energie, batterij-energieopslagsystemen (BESS) en vermogenselektronica voor ele...
Lees meerIndustrieachtergrond en toepassingsbelang De snelle adoptie van elektrische voertuigen (EV’s) zorgt voor nieuwe infrastructuurvereisten in woonomgevingen met meerdere huurders, zoals appartementencomplexen, gebouwen voor gemengd gebruik en woningen voor meerdere gezinnen. In tegenstelling tot ...
Lees meer