Welkom om te verbinden
In de context van de snelle ontwikkeling van de nieuwe energie-industrie zijn scenario's zoals commerciële en industriële energieopslag , batterijwisselstations , en huishoudelijke fotovoltaïsche opslagsystemen hebben hogere eisen gesteld aan de nauwkeurigheid, compatibiliteit en intelligentie van elektriciteitsmeting . Acrel Electric heeft een volledig assortiment nieuwe energieondersteunende instrumentatieoplossingen ontwikkeld. Deze oplossingen zijn op maat ontworpen voor de kernvereisten van verschillende toepassingsscenario's en dekken de meetbehoeften van huishoudelijke toepassingen met laag vermogen tot grootschalige industriële en commerciële energieopslagsystemen. De oplossingen bieden betrouwbare ondersteuning voor de stabiele werking en nauwkeurige dosering van nieuwe energiesystemen.
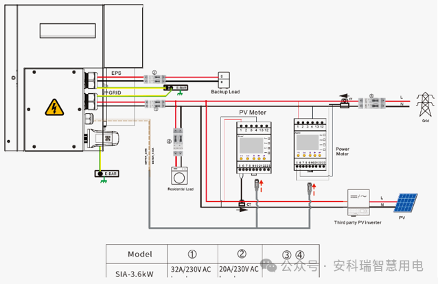
Fotovoltaïsche zonne-energie en energieopslag in woningen vormen een belangrijk toepassingsscenario voor de popularisering van nieuwe energie. Acrel heeft zeer compatibele instrumentproducten ontwikkeld die zich richten op verschillende subscenario's, waaronder Matching van omvormers voor energieopslag, integratie van hybride omvormers, fotovoltaïsche opslagsystemen op balkons en point-to-point transparante transmissiesystemen voor micro-energieopslag . Deze producten balanceren tussen integratie, meetsnelheid en communicatieflexibiliteit.
Als reactie op de marktkenmerken van compatibiliteit met meerdere merken in fotovoltaïsche en energieopslagsystemen, is de RS485 CT-configuratie aangenomen om tegemoet te komen aan onzekere installatieomstandigheden voor professionele agenten. De instrumenten zijn gecertificeerd met internationale CE-MID-, UL- en RCM-certificeringen. Met een hoge gegevensverversingssnelheid van 50 ms ondersteunen de apparaten ook aanpassing van de fasevolgorde, waardoor nauwkeurige metingen en sterke compatibiliteit worden gegarandeerd.
Voor hoge integratievereisten van alles-in-één ontwerpen voor omvormers voor energieopslag en vereisten voor tweekanaalsmeting in retrofitscenario's, zijn de instrumenten uitgerust met snelsluitklemmen voor spanning en stroom en RJ45-communicatiepoorten. Ze ondersteunen ook gegevensvernieuwingsfrequenties van 50 ms en aanpassing van de fasevolgorde, samen met een uitgebreid certificeringssysteem, waardoor ze geschikt zijn voor zowel retrofit- als nieuwe installatiescenario's.
Deze oplossing is speciaal ontworpen voor gedistribueerde fotovoltaïsche en energieopslagsystemen met laag vermogen op balkons en combineert een hoge integratie met gemakkelijke installatie en inbedrijfstelling. Naast tweekanaalsmeting en snelaansluitklemmen , het ondersteunt ook WiFi-, WiFi HaLow- en Bluetooth-foutopsporingsfuncties . Het draadloze ontwerp vereenvoudigt de installatie in kleinschalige scenario's aanzienlijk, en het product is CE-RED-gecertificeerd.
Om de slechte penetratie en onstabiele netwerkprestaties van traditional WiFi in micro-energy storage scenarios, WiFi HaLow (Sub-1GHz) communicatietechnologie wordt toegepast. Vergeleken met traditionele WiFi biedt het een sterker penetratievermogen en een langere transmissieafstand. Vergeleken met LoRa-communicatie biedt het een hogere transmissiesnelheid en betere stabiliteit. Het instrument ondersteunt deze technologie standaard, waardoor er slechts een extra AP aan de omvormerzijde nodig is om draadloze communicatie mogelijk te maken. Het ondersteunt ook één-op-één en één-op-veel snelle netwerkconfiguratie, waardoor het geschikt is voor huishoudelijke multi-omvormer- en balkonmicro-opslagsystemen.
Industriële en commerciële energieopslag, grootschalige energieopslag en batterijwisselstations vereisen strikte normen op het gebied van meetnauwkeurigheid, verversingssnelheid, installatieflexibiliteit en naleving van de regelgeving. Acrel levert ingebedde en op DIN-rail gemonteerde instrumentproducten op basis van belangrijke vereisten zoals facturering met meerdere tarieven, vraagmeting, bescherming tegen omgekeerde energiestromen en draadloze communicatie , ter ondersteuning van zowel nieuwe installaties als retrofittoepassingen.
De APM521 heeft een overzeese CSA (UL)-certificering verkregen en biedt een nauwkeurigheid van actieve energiemeting tot 0,2s-klasse (klasse D). Het is uitgerust met SD-kaartopslag voor realtime elektrische parameters. Het modulaire ontwerp van de uitbreidingsmodule van de hoofdeenheid ondersteunt zowel ingebedde montage als montage op DIN-rail, waardoor wordt voldaan aan uiteenlopende installatievereisten in nieuwe projecten.
Dit is een meter van de klasse 0,5S met externe CT, die veel wordt gebruikt in toepassingen voor grote klanten. Het ondersteunt secundaire CT-retrofitbedrading en kan de secundaire zijstroom van bestaande stroomtransformatoren direct afklemmen, waardoor het zeer geschikt is voor retrofitprojecten voor meters. Het product beschikt over CPA-, CE- en UL-certificeringen en kan ook worden aangepast tot een snelle vernieuwingsversie om te voldoen aan de vereisten van hoogwaardige toepassingen.
Bovendien integreren de industriële en commerciële oplossingen ook functies voor overbelastingsbeveiliging. Het systeem kan worden aangesloten op energieopslagscenario's op hoog- en laagspanningszijde en kan werken met elektriciteitsmeters met meerdere tarieven om nauwkeurige elektriciteitsmetingen onder verschillende tariefstructuren te bereiken, waardoor uitgebreide ondersteuning voor veiligheid en energiebeheer wordt geboden voor industriële en commerciële energieopslagsystemen en batterijwisselstations.
In de context van voortdurende upgrades in de nieuwe energie-industrie zal Acrel zich blijven concentreren op innovatie en zijn nieuwe energieondersteunende instrumentatietechnologie en productsysteem verder verbeteren. Het bedrijf wil efficiënter, intelligenter en betrouwbaarder zijn elektriciteitsmeting solutions voor commerciële en industriële energieopslag, batterijwisselstations en fotovoltaïsche opslagtoepassingen voor huishoudelijk gebruik, waardoor de hoogwaardige ontwikkeling van de nieuwe energie-industrie wordt bevorderd.
